联系电话 180-8004-6314
  • 醋酸钠
  • 乙酸钠
  • 最新公告:
    诚信为本,市场在变,诚信永远不变...
    新闻动态 NEWS 当前位置: 首页 > 新闻动态
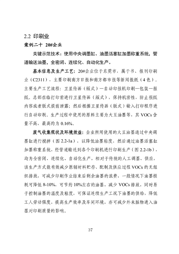
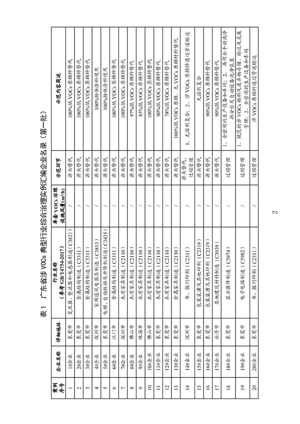
    53个实例!广东省涉VOCs典型行业综合治理实例汇编(第一批)印发!添加时间:2022-05-25

    为贯彻落实《中共中央 国务院关于深入打好污染防治攻坚战的意见》和《“十四五”节能减排综合工作方案》(国发〔2021〕33号),进一步加强重点行业企业挥发性有机物VOCs排放综合治理,遏制臭氧污染,持续改善全省环境空气质量,我厅组织汇编了第一批涉VOCs典型行业在源头替代、过程控制、末端治理方面的综合治理实例,现印发给你们,供学习借鉴。

    53个实例!广东省涉VOCs典型行业综合治理实例汇编(第一批)印发!(图1)

    53个实例!广东省涉VOCs典型行业综合治理实例汇编(第一批)印发!(图2)

    53个实例!广东省涉VOCs典型行业综合治理实例汇编(第一批)印发!(图3)

    53个实例!广东省涉VOCs典型行业综合治理实例汇编(第一批)印发!(图4)

    53个实例!广东省涉VOCs典型行业综合治理实例汇编(第一批)印发!(图5)

    53个实例!广东省涉VOCs典型行业综合治理实例汇编(第一批)印发!(图6)

    53个实例!广东省涉VOCs典型行业综合治理实例汇编(第一批)印发!(图7)

    53个实例!广东省涉VOCs典型行业综合治理实例汇编(第一批)印发!(图8)

    53个实例!广东省涉VOCs典型行业综合治理实例汇编(第一批)印发!(图9)

    53个实例!广东省涉VOCs典型行业综合治理实例汇编(第一批)印发!(图10)

    53个实例!广东省涉VOCs典型行业综合治理实例汇编(第一批)印发!(图11)

    53个实例!广东省涉VOCs典型行业综合治理实例汇编(第一批)印发!(图12)

    53个实例!广东省涉VOCs典型行业综合治理实例汇编(第一批)印发!(图13)

    53个实例!广东省涉VOCs典型行业综合治理实例汇编(第一批)印发!(图14)

    53个实例!广东省涉VOCs典型行业综合治理实例汇编(第一批)印发!(图15)

    53个实例!广东省涉VOCs典型行业综合治理实例汇编(第一批)印发!(图16)

    53个实例!广东省涉VOCs典型行业综合治理实例汇编(第一批)印发!(图17)

    53个实例!广东省涉VOCs典型行业综合治理实例汇编(第一批)印发!(图18)

    53个实例!广东省涉VOCs典型行业综合治理实例汇编(第一批)印发!(图19)

    53个实例!广东省涉VOCs典型行业综合治理实例汇编(第一批)印发!(图20)

    53个实例!广东省涉VOCs典型行业综合治理实例汇编(第一批)印发!(图21)

    53个实例!广东省涉VOCs典型行业综合治理实例汇编(第一批)印发!(图22)

    53个实例!广东省涉VOCs典型行业综合治理实例汇编(第一批)印发!(图23)

    53个实例!广东省涉VOCs典型行业综合治理实例汇编(第一批)印发!(图24)

    53个实例!广东省涉VOCs典型行业综合治理实例汇编(第一批)印发!(图25)

    53个实例!广东省涉VOCs典型行业综合治理实例汇编(第一批)印发!(图26)

    53个实例!广东省涉VOCs典型行业综合治理实例汇编(第一批)印发!(图27)

    53个实例!广东省涉VOCs典型行业综合治理实例汇编(第一批)印发!(图28)

    53个实例!广东省涉VOCs典型行业综合治理实例汇编(第一批)印发!(图29)

    53个实例!广东省涉VOCs典型行业综合治理实例汇编(第一批)印发!(图30)

    53个实例!广东省涉VOCs典型行业综合治理实例汇编(第一批)印发!(图31)

    53个实例!广东省涉VOCs典型行业综合治理实例汇编(第一批)印发!(图32)

    53个实例!广东省涉VOCs典型行业综合治理实例汇编(第一批)印发!(图33)

    53个实例!广东省涉VOCs典型行业综合治理实例汇编(第一批)印发!(图34)

    53个实例!广东省涉VOCs典型行业综合治理实例汇编(第一批)印发!(图35)

    53个实例!广东省涉VOCs典型行业综合治理实例汇编(第一批)印发!(图36)

    53个实例!广东省涉VOCs典型行业综合治理实例汇编(第一批)印发!(图37)

    53个实例!广东省涉VOCs典型行业综合治理实例汇编(第一批)印发!(图38)

    53个实例!广东省涉VOCs典型行业综合治理实例汇编(第一批)印发!(图39)

    53个实例!广东省涉VOCs典型行业综合治理实例汇编(第一批)印发!(图40)

    53个实例!广东省涉VOCs典型行业综合治理实例汇编(第一批)印发!(图41)

    53个实例!广东省涉VOCs典型行业综合治理实例汇编(第一批)印发!(图42)

    53个实例!广东省涉VOCs典型行业综合治理实例汇编(第一批)印发!(图43)

    53个实例!广东省涉VOCs典型行业综合治理实例汇编(第一批)印发!(图44)

    53个实例!广东省涉VOCs典型行业综合治理实例汇编(第一批)印发!(图45)

    53个实例!广东省涉VOCs典型行业综合治理实例汇编(第一批)印发!(图46)

    53个实例!广东省涉VOCs典型行业综合治理实例汇编(第一批)印发!(图47)

    53个实例!广东省涉VOCs典型行业综合治理实例汇编(第一批)印发!(图48)

    53个实例!广东省涉VOCs典型行业综合治理实例汇编(第一批)印发!(图49)

    53个实例!广东省涉VOCs典型行业综合治理实例汇编(第一批)印发!(图50)

    53个实例!广东省涉VOCs典型行业综合治理实例汇编(第一批)印发!(图51)

    53个实例!广东省涉VOCs典型行业综合治理实例汇编(第一批)印发!(图52)

    53个实例!广东省涉VOCs典型行业综合治理实例汇编(第一批)印发!(图53)

    53个实例!广东省涉VOCs典型行业综合治理实例汇编(第一批)印发!(图54)

    53个实例!广东省涉VOCs典型行业综合治理实例汇编(第一批)印发!(图55)

    53个实例!广东省涉VOCs典型行业综合治理实例汇编(第一批)印发!(图56)

    53个实例!广东省涉VOCs典型行业综合治理实例汇编(第一批)印发!(图57)

    53个实例!广东省涉VOCs典型行业综合治理实例汇编(第一批)印发!(图58)

    53个实例!广东省涉VOCs典型行业综合治理实例汇编(第一批)印发!(图59)

    53个实例!广东省涉VOCs典型行业综合治理实例汇编(第一批)印发!(图60)

    53个实例!广东省涉VOCs典型行业综合治理实例汇编(第一批)印发!(图61)

    53个实例!广东省涉VOCs典型行业综合治理实例汇编(第一批)印发!(图62)

    53个实例!广东省涉VOCs典型行业综合治理实例汇编(第一批)印发!(图63)

    53个实例!广东省涉VOCs典型行业综合治理实例汇编(第一批)印发!(图64)

    53个实例!广东省涉VOCs典型行业综合治理实例汇编(第一批)印发!(图65)

    53个实例!广东省涉VOCs典型行业综合治理实例汇编(第一批)印发!(图66)

    53个实例!广东省涉VOCs典型行业综合治理实例汇编(第一批)印发!(图67)

    53个实例!广东省涉VOCs典型行业综合治理实例汇编(第一批)印发!(图68)

    53个实例!广东省涉VOCs典型行业综合治理实例汇编(第一批)印发!(图69)

    53个实例!广东省涉VOCs典型行业综合治理实例汇编(第一批)印发!(图70)

    53个实例!广东省涉VOCs典型行业综合治理实例汇编(第一批)印发!(图71)

    53个实例!广东省涉VOCs典型行业综合治理实例汇编(第一批)印发!(图72)

    53个实例!广东省涉VOCs典型行业综合治理实例汇编(第一批)印发!(图73)

    53个实例!广东省涉VOCs典型行业综合治理实例汇编(第一批)印发!(图74)

    53个实例!广东省涉VOCs典型行业综合治理实例汇编(第一批)印发!(图75)

    53个实例!广东省涉VOCs典型行业综合治理实例汇编(第一批)印发!(图76)

    53个实例!广东省涉VOCs典型行业综合治理实例汇编(第一批)印发!(图77)

    53个实例!广东省涉VOCs典型行业综合治理实例汇编(第一批)印发!(图78)

    53个实例!广东省涉VOCs典型行业综合治理实例汇编(第一批)印发!(图79)

    53个实例!广东省涉VOCs典型行业综合治理实例汇编(第一批)印发!(图80)

    53个实例!广东省涉VOCs典型行业综合治理实例汇编(第一批)印发!(图81)

    53个实例!广东省涉VOCs典型行业综合治理实例汇编(第一批)印发!(图82)

    53个实例!广东省涉VOCs典型行业综合治理实例汇编(第一批)印发!(图83)

    53个实例!广东省涉VOCs典型行业综合治理实例汇编(第一批)印发!(图84)

    53个实例!广东省涉VOCs典型行业综合治理实例汇编(第一批)印发!(图85)

    53个实例!广东省涉VOCs典型行业综合治理实例汇编(第一批)印发!(图86)

    53个实例!广东省涉VOCs典型行业综合治理实例汇编(第一批)印发!(图87)

    53个实例!广东省涉VOCs典型行业综合治理实例汇编(第一批)印发!(图88)

    53个实例!广东省涉VOCs典型行业综合治理实例汇编(第一批)印发!(图89)

    53个实例!广东省涉VOCs典型行业综合治理实例汇编(第一批)印发!(图90)

    53个实例!广东省涉VOCs典型行业综合治理实例汇编(第一批)印发!(图91)

    53个实例!广东省涉VOCs典型行业综合治理实例汇编(第一批)印发!(图92)

    53个实例!广东省涉VOCs典型行业综合治理实例汇编(第一批)印发!(图93)

    53个实例!广东省涉VOCs典型行业综合治理实例汇编(第一批)印发!(图94)

    53个实例!广东省涉VOCs典型行业综合治理实例汇编(第一批)印发!(图95)

    53个实例!广东省涉VOCs典型行业综合治理实例汇编(第一批)印发!(图96)

    53个实例!广东省涉VOCs典型行业综合治理实例汇编(第一批)印发!(图97)

    53个实例!广东省涉VOCs典型行业综合治理实例汇编(第一批)印发!(图98)

    53个实例!广东省涉VOCs典型行业综合治理实例汇编(第一批)印发!(图99)

    53个实例!广东省涉VOCs典型行业综合治理实例汇编(第一批)印发!(图100)

    53个实例!广东省涉VOCs典型行业综合治理实例汇编(第一批)印发!(图101)

    53个实例!广东省涉VOCs典型行业综合治理实例汇编(第一批)印发!(图102)

    53个实例!广东省涉VOCs典型行业综合治理实例汇编(第一批)印发!(图103)

    53个实例!广东省涉VOCs典型行业综合治理实例汇编(第一批)印发!(图104)

    53个实例!广东省涉VOCs典型行业综合治理实例汇编(第一批)印发!(图105)

    53个实例!广东省涉VOCs典型行业综合治理实例汇编(第一批)印发!(图106)

    53个实例!广东省涉VOCs典型行业综合治理实例汇编(第一批)印发!(图107)

    53个实例!广东省涉VOCs典型行业综合治理实例汇编(第一批)印发!(图108)

    53个实例!广东省涉VOCs典型行业综合治理实例汇编(第一批)印发!(图109)

    53个实例!广东省涉VOCs典型行业综合治理实例汇编(第一批)印发!(图110)

    53个实例!广东省涉VOCs典型行业综合治理实例汇编(第一批)印发!(图111)